欧美九九九|大胆人体av|91手机在线观看|怪奇物语第一季在线观看完整版,亚洲爱爱网站,视频播放,床韩国电影在线观看完整版未删减

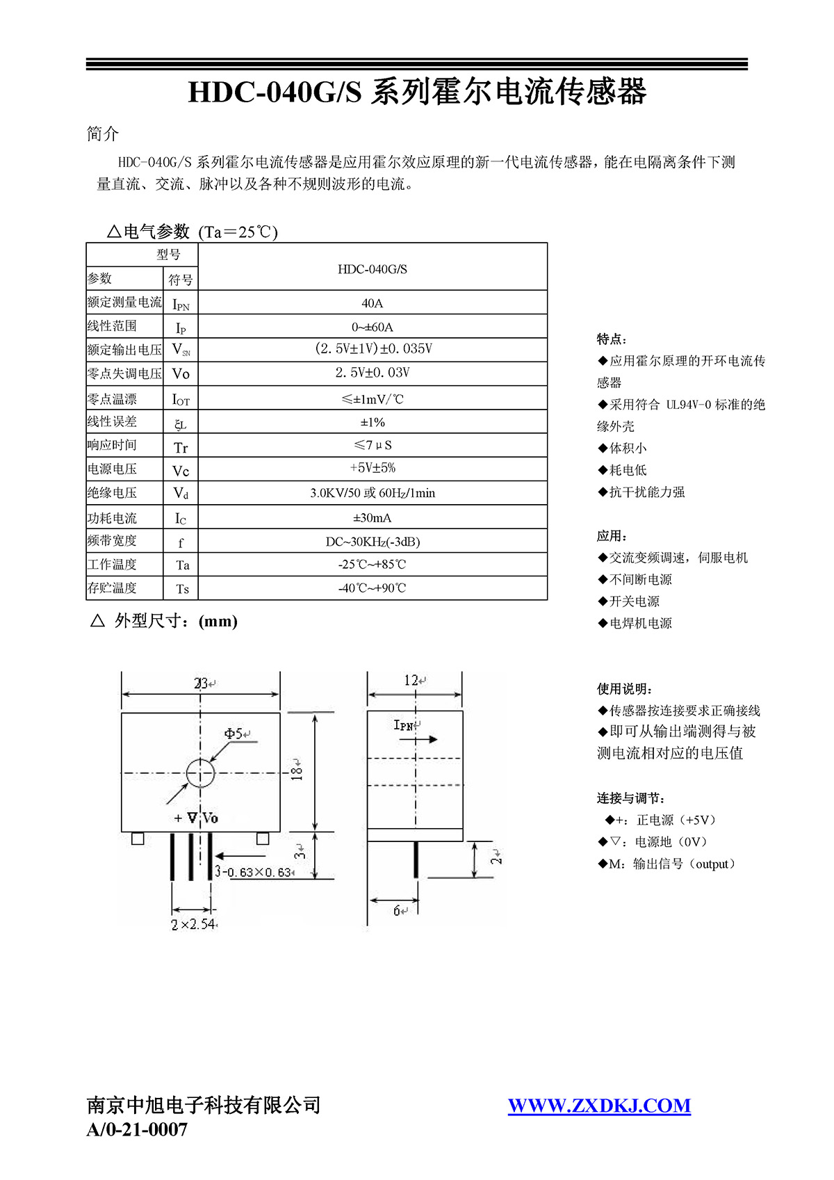
HDC-040G

post-image